乐动网站

乐动网站-乐动(中国)一站式服务官方网站 乐动网站-乐动(中国)一站式服务官方网站 政策法规 产业市场 节能技术 能源信息 宏观环境 会议会展 活动图库 资料下载 焦点专题 智囊团 企业库
节能技术  中国节能产业网 >> 节能技术 >> 节能案例 >> 正文
炼焦煤调湿风选技术
来源:中国节能产业网 时间:2015-5-21 15:19:36 用手机浏览

一、技术名称:炼焦煤调湿风选技术

二、技术所属领域及适用范围:焦化行业及煤化工行业

三、与该技术相关的能耗及碳排放现状

目前该技术可实现节能量20万tce/a,CO2减排约53万t/a。

四、技术内容

1.技术原理

为充分利用焦炉烟道气及一般工业窑炉的废烟气所携带的热量,本技术通过改变传统流化床结构,使煤料在设备内处于流化状态并呈螺旋线前进,尽最大可能延长煤料在设备内与热风接触的时间,从而完成粒度分级及适度干燥处理的工艺过程,并保持处理后的煤料水分基本恒定(本技术也可对煤料只进行适度干燥处理,具体由业主选择确定)。设备排出的气体经由保温管道送入除尘地面站进行粉尘捕集处理,净化后的气体达标排放。本工艺技术即可与工厂同步建设,也可老厂增建。

2.关键技术

本技术关键设备--全沸腾旋流流化床风选调湿机

关键技术特点:

(1)该设备独特的旋流气体带动并强制物料进行热交换,能够充分利用热气体所携带的热量,其热效率可达60% -67.7%。

(2)设计了独特的大颗粒物料排出装置,能将粒度≥25mm不能流化的物料及时排出,确保流化床长期稳定运行。

(3)采用风动原理,结构形式独特,内部无机械传动,维护工作量小,能够长期稳定运行。

(4)设备阻力较小约3000Pa,有效降低热风输送系统的电力消耗。

(5)设备上部气体流速较小,排出气体携带灰尘量仅为湿煤量的3-5%。

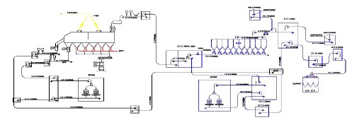
3.工艺流程

煤料输送系统将水分含量为-12%的炼焦配合煤送至煤调湿风选装置,煤料在气体分布板上与下部风室送入的焦炉烟道气直接接触并处于沸腾状态。煤料在从入料端向出料端移动的过程中同时完成分级及调湿处理,使煤料水分降至7.5%-8.0%,并保持基本恒定。分级处理后<3mm合格的煤料经螺旋输送机排出干燥机;分级后>3mm大颗 粒煤料进入粉碎机进行粉碎处理;上述2种煤料混合后运至煤塔供焦炉炼焦生产。

从焦炉烟囱根部抽取焦炉烟道气并将其送至风选调湿机入口处并保持一定的流量、压力、温度等。

风选调湿机出口含细煤粉的低温烟气进入除尘地面站回收细煤粉;净化后的气体经烟囱达标排放。

 

五、主要技术指标

 主要技术指标见表1。

 

六、典型应用案例

应用单位:邯宝集团股份有限公司焦化厂

技术提供单位:中冶焦耐工程技术有限公司

节能改造前用能情况:改造前炼焦入炉煤年平均水分:10.5%-13.5%,这些水分通过燃烧焦炉加热煤气提供的热量在炭化室内干燥蒸发,随荒煤气在上升管、集气管内通过喷洒大量的氨水进行冷凝、送废水处理工序进行处理,因此耗能较多。煤料水分每蒸发1个百分点,炼焦耗热量相应增加62.0MJ/t(干煤)。节能改造内容:为满足4座7.0m焦炉(年焦炭产能220万t)生产用煤需要,建设2系以焦炉烟道气为热源的炼焦煤调湿装置(每系设备处理能力195t/h)。采用煤调湿风选技术后,每年可节省能源36116吨标准煤。节能改造投资额:13000万元,每年可创效益5016万元,静态投资回收期:6.38年

七、推广前景及节能减排潜力

预计未来5年,该技术在行业内的推广潜力可达到50%,节能能力200万tce/a,减排能力528万tCO2/a。




分享到:
乐动网站相关的文章 iTAG:
没有相关技术
频道推荐
服务中心
微信公众号

CESI
关于本站
版权声明
广告投放
网站帮助
联系我们
网站服务
会员服务
最新项目
资金服务
园区招商
展会合作
中国乐动网站-乐动(中国)一站式服务官方网站 上线下相结合的一站式节能服务平台。
©2007-2016 princejardinier.com
鄂ICP备16002099号
节能QQ群:39847109
顶部微信二维码底部
扫描二维码关注官方公众微信